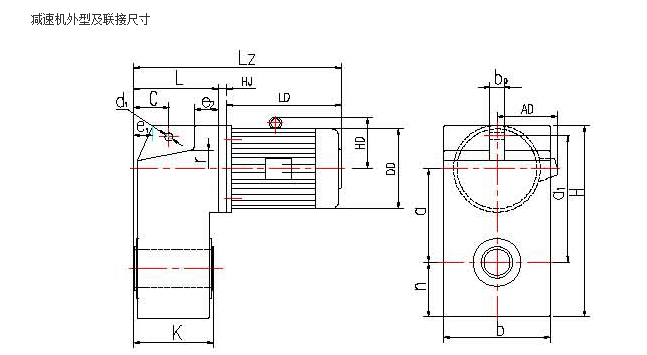
? QS和QSC三合一齒輪減速器是一種具有與電機軸平行輸出、結構緊湊、傳遞扭矩大、工作平穩、噪音低、壽命長等特點的減速器。?
QS、QSC三合一齒輪減速器的主要特點包括:?
結構緊湊、美觀、體積小、重量輕?,便于安裝和運輸。
傳遞扭矩大?,能夠承受較大的負載。
工作平穩、噪音低?,提供良好的工作環境。?
壽命長?,經過特殊處理,齒輪表面硬度高,精度高,傳動噪音低。?
配套功率范圍大?,適應不同的動力需求。
裝配及調整快速簡單?,便于維護和維修。?
出力軸可兩面裝配?,適用于單獨驅動或集中驅動。
安裝方式多樣化?,包括力矩支撐孔安裝、底座式安裝、輸出軸法蘭式安裝等。
輸出軸輸出形式多樣化?,包括空心花鍵軸、空心平鍵軸和空心軸帶鎖緊盤輸出等形式。
平均效率高?,QSC型不低于95%,QS型不低于94%。
此外,QS、QSC三合一齒輪減速器還具有標準公稱減速比范圍,其中QSC型標準公稱減速比范圍為4~12.5,QS型標準公稱減速比范圍為14~100。對于標準公稱減速比范圍外的需求,需要特殊訂貨。這些減速器廣泛應用于門式起重機運行機構以及運輸、冶金、石油、化工、建筑、鐵路、港口、國防工程、輕紡工業等各種機械設備中的傳動機構?。


